Êîëè÷åñòâî
è ñóììà òîâàðîâ
â êîðçèíå

ÊÀÒÀËÎÃ

 

ÝËÅÊÒÐÎÄÂÈÃÀÒÅËÜ  555PH-2670 12V
ÝËÅÊÒÐÎÄÂÈÃÀÒÅËÜ 555PH-2670 12V
ÝËÅÊÒÐÎÄÂÈÃÀÒÅËÜ 555PH-2670 12V
9...15 Â, íîìèíàë -12 Â

Öåíà: 230.0
 
â íàëè÷èè
Àðòèêóë: 400150

 

ÒÅÕÍÈ×ÅÑÊÈÅ ÕÀÐÀÊÒÅÐÈÑÒÈÊÈ
Íàïðÿæåíèå ïèòàíèÿ (äèàïàçîí / íîìèíàëüíîå) - 9-15 / 12 Â
Òîê (õîëîñòîãî õîäà / íîìèíàëüíûé / áëîêèðîâî÷íûé)  -  0,2 / 0,83 / 4,26 À
Cêîðîñòü (õîëîñòîãî õîäà / íîìèíàëüíàÿ)  -  4500 / 3800 îá/ìèí
Êðóòÿùèé ìîìåíò (íîìèíàëüíûé / áëîêèðîâî÷íûé)  - 170,5 / 1100 ã*ñì
Ìîùíîñòü (íîìèíàëüíàÿ)  -  6,69 Âò
ÊÏÄ (íîìèíàëüíûé)  -  67,2 %
Âåñ ~ 215 ãð.

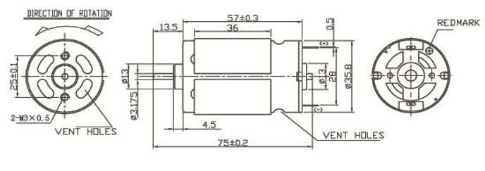
Ðàçìåðû  -  ñì. ðèñóíîê

 

Ýëåêòðîäâèãàòåëü 555PH-2670 555-ãî òèïîðàçìåðà ïðåäíàçíà÷åí äëÿ óñòàíîâêè â êà÷åñòâå ïðèâîäà íà ïðèêîðìî÷íûå êîðàáëèêè, à òàêæå íà ìàñøòàáíûå ìîäåëè ñóäîâ è àâòîìîáèëåé. Äëÿ ñíèæåíèÿ óðîâíÿ ýëåêòðîìàãíèòíûõ ïîìåõ ðåêîìåíäóåòñÿ óñòàíîâêà òðåõ êåðàìè÷åñêèõ êîíäåíñàòîðîâ (400000) ìåæäó âûâîäàìè è êîðïóñîì.